Beschreibung
Komfort
- Klapptür, Backofentür, gedämpft, vollgedämpft
- AutoPilot
- Anzahl Automatik-Programme: 10 Stck
- TFT mit Klartextanzeige
- Infotaste
- Elektronik-Uhr
- Elektronische Temperaturregelung von 30 °C – 300 °C
- Halogen-Innenbeleuchtung, Backofenbeleuchtung abschaltbar
Backofentyp und Heizart
- Backofen mit 13 Beheizungsarten:
- 4D Heißluft, + Heißluft Eco, Ober-/Unterhitze, Ober-/Unterhitze Eco, Umluft-Infra-Grill, Großflächengrill, Kleinflächengrill, Pizzastufe, Unterhitze, Sanftgaren, Auftauen, Vorwärmen, Warmhalten
- Schnellaufheizung
- Edelstahl-Lüfterrad
- Garraumvolumen: 71 l
- XXLpro Backofen mit TitanEmail
Zubehörträger / Auszugssystem:
- Backofen mit Einhängegestell, Auszug nachrüstbar
Reinigung:
- Ecoclean-Ausstattung: Rückwand
- Vollglas-Innentür
Design:
- intuitiver Bedienring
Umwelt und Sicherheit:
- Komfort-Tür mit max. 40°C
- (Messung bei 180°C Backofentemperatur / Heizart Ober-/Unterhitze nach 1 Stunde in der Fenstermitte)
- Kindersicherung
- Sicherheitsabschaltung
- Restwärmeanzeige
- Starttaste
- Türkontaktschalter
- Energieeffizienzklasse (gem. EU Nr. 65/2014): A+
- Energieverbrauch pro Zyklus im konventionellen Modus: 0.87 kWh
- Energieverbrauch pro Zyklus im Umluft-Modus: 0.69 kWh
- Zahl der Garräume: 1
- Wärmequelle: elektrisch
- Innenraumvolumen: 71 l
Zubehör:
- 1 x Backblech emailliert, 1 x Kombirost, 1 x Universalpfanne
Technische Info:
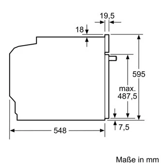
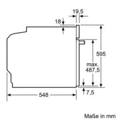
- Gerätemaße (HxBxT): 595 mm x 595 mm x 548 mm
- Nischenmaße (HxBxT): 585 mm – 595 mm x 560 mm – 568 mm x 550 mm
- Länge Netzkabel: 120 cm
- Gesamtanschlusswert Elektro: 3.65 kW
- „Maße und Einbauhinweise zu diesem Gerät gemäß technischer Zeichnung beachten“
Technische Daten
Gerätefarbe schwarz
Türfarbe/-material schwarz
Bauform Einbaugerät
Steuerung elektronisch
Bedienelemente Drehring , TFT
Automatikprogramm Ja
Energiequelle Elektro
Elektroanschlußwert (W) 3650 W
Absicherung (A) 16 A
Spannung (V) 220-240 V
Frequenz (Hz) 60; 50 Hz
Approbationszertifikate CE , VDE
Länge Anschlusskabel (cm) 120 cm
Steckerart Schuko-/Gardy.m.Erdung
Tiefe Produkt bei geöffneter Tür (90°) (mm) 1040 mm
Gerätehöhe (mm) 595 mm
Gerätebreite (mm) 595 mm
Gerätetiefe (mm) 548 mm
Höhe verpacktes Gerät (mm) 670 mm
Breite verpacktes Gerät (mm) 670 mm
Tiefe verpacktes Produkt (mm) 680 mm
Nischenhöhe minimal (mm) 585 mm
Nischenhöhe maximal (mm) 585 mm
Nischenbreite minimal (mm) 560 mm
Nischenbreite maximal (mm) 560 mm
Nischentiefe (mm) 550 mm
Nettogewicht (kg) 35,0 kg
Bruttogewicht (kg) 38,0 kg
Anzahl der Innenräume 1
Nutzinhalt (des Innenraums) 71 l
Energieeffizienzklasse A+
Energieeffizienzkategorie- Backrohr 1 A
Energieverbrauch konventionelle Beheizung – Backrohr 1 (kWh) 0,87 kWh
Energieverbrauch pro Ober-/Unterhitze Zyklus 0,87 kWh/cycle
Energieverbrauch Gasofen pro Ober-/Unterhitze Zyklus MJ/cycle
Energieverbrauch pro Heißluft-Zyklus 0,69 kWh/cycle
Energieverbrauch Umluft/Heißluft – Backrohr 1 (kWh) 0,69 kWh
Energieeffizienzindex 81,2 %
Nettovolumen – Backrohr 1 (l) 71 l
Größe – Backrohr 1 groß
mögliche Sprachen albanisch , bulgarisch , dänisch , deutsch , englisch , estnisch , finnisch , französisch , griechisch , italienisch , kroatisch , lettisch , litauisch , mazedonisch , niederländisch , norwegisch , polnisch , portugiesisch , rumänisch , russisch , schwedisch , serbisch , slowakisch , slowenisch , spanisch , tschechisch , türkisch , ukrainisch , ungarisch
Elektronik-Uhr
Beheizungsarten 4D-Heißluft , Auftauen , Großflächengrill , Heißluft-Eco , Kleinflächengrill , Ober-/Unterhitze , Ober-/Unterhitze ECO , Pizzastufe , Sanftgaren , Umluftgrill , Unterhitze , Vorwärmen , Warmhalten
Kontrolle der Temperatur elektronisch
Zeitfunktionen Start und Stopp
Sicherheitsvorrichtungen Kindersicherung , Restwärmeanzeige , Sicherheitsabschaltg. Backofen , Starttaste , Türkontaktschalter
Innenbeleuchtung Ja
Anzahl eingebauter Leuchten 1
Lage Innenbeleuchtung oben
Zeitsteuerung elektronisch
Integriertes Zubehör 1 x Backblech emailliert, 1 x Kombirost, 1 x Universalpfanne























Reviews
There are no reviews yet.