Beschreibung
Einbaubackofen B2CCG6AN0
Backofentyp und Heizart
BCB2662 Backofen mit 7 Heizarten: CircoTherm®, Ober-/Unterhitze, Thermogrill, Großflächengrill, Pizzastufe, Unterhitze, CircoTherm® sanft
Elektronische Temperaturregelung von 50 °C – 275 °C
Garraumvolumen: 71 l
Zubehörträger / Auszugssystem:
Großraumbackofen mit Einhängegittern
Design
LED Display (rot), elektronische Steuerung
Voll versenkbare Bedienknebel
Reinigung
Pyrolytische Selbstreinigung
Vollglas-Innentür
Komfort
EasyClock
Klapptür
Schnellaufheizung
Halogenleuchte
Kühlgebläse
Profilgriff
Zubehör
1 x Kombirost, 1 x Universalpfanne
Umwelt und Sicherheit
Individuell einstellbare Kindersicherung
Türverriegelung bei Pyrolysebetrieb
Automatische Sicherheitsabschaltung
Technische Info:
Länge Netzkabel: 120 cm
Nennspannung: 220 – 240 V
Gesamtanschlusswert Elektro: 3.6 kW
Energieeffizienzklasse (gem. EU Nr. 65/2014): A (auf einer Energieeffizienzklassen-Skala von A+++ bis D)
Energieverbrauch pro Zyklus im konventionellen Modus: 0.99 kWh
Energieverbrauch pro Zyklus im Umluft-Modus: 0.81 kWh
Zahl der Garräume: 1
Wärmequelle: elektrisch
Innenraumvolumen: 71 l
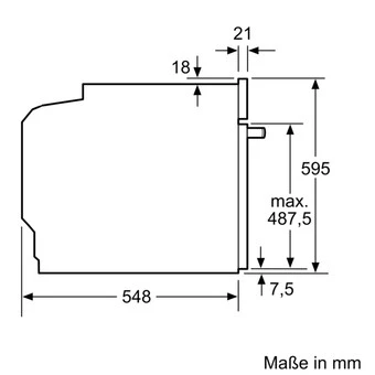
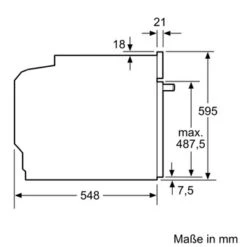
Maße
Gerätemaße (HxBxT): 595 x 594 x 548 mm
Nischenmaße (HxBxT): 595 mm x 560 mm x 550 mm
„Maße und Einbauhinweise zu diesem Gerät gemäß technischer Zeichnung beachten“
Kochfeld T16SBN1L0
Flexibilität der Kochzonen
Bräterzone: Extra zuschaltbare Kochzone für großes Bratgeschirr
Zweikreis-Kochzone: Verwenden Sie normales oder größeres Kochgeschirr für die erweiterbare Kochzone.
Kochzone vorne links: 145 mm, 1.2 kW
Kochzone hinten links: 170 mm, 265 mm, 1.8 kW
Kochzone hinten rechts: 145 mm, 1.2 kW
Kochzone vorne rechts: 120 mm, 210 mm, 0.75 kW
Benutzerfreundlichkeit
TouchControl: Steuerung der Leistung mit den aufgedruckten +/- Touch-Tasten.
17 Leistungsstufen: Stellen Sie die Hitze mit 17 Leistungsstufen (9 Hauptstufen und 8 Zwischenstufen) präzise ein.
Switch Off Timer: schaltet die Kochzone am Ende der eingestellten Zeit aus (z. B. für gekochte Eier).
Countdown-Timer: Ein Signal ertönt am Ende der eingestellten Zeit (z. B. beim Pastakochen).
Zeitersparnis und Effizienz
Restart Funktion: Im Falle von unbeabsichtigtem Ausschalten des Kochfeldes bleiben alle Einstellungen erhalten, wenn Sie innerhalb von 4 Sekunden wieder einschalten.
Schnelles Abschalten: Schnelles Abschalten durch längeres Berühren der Bedienfläche der Kochzone.
Design
Rahmen in Edelstahl
Sicherheit
2-stufige Restwärmeanzeige je Kochzone: Zeigt an, welche Kochzonen noch heiß oder warm sind.
Kindersicherung: Verhindert eine unbeabsichtigte Aktivierung des Kochfeldes.
Hauptschalter: Alle Kochzonen auf einmal ausschalten.
Betriebsanzeigelampe: Zeigt an, ob das Kochfeld heizt.
Automatische Sicherheitsabschaltung: Aus Sicherheitsgründen schaltet das Kochfeld nach einer voreingestellten Zeit ohne Interaktion automatisch ab.
Installation
Maße des Gerätes (HxBxT mm): 48 x 583 x 513
Erforderliche Nischengröße (HxBxT mm): 48 x 560 x (490 – 500)
Minimale Arbeitsplattenstärke: 16 mm
Gesamtanschlusswert: 6700 W
Technische Daten
Backofen B2CCG6AN0
Bauform: ………………………………………………………………….. Einbau
Integriertes Reinigungssystem: ……………. Pyrolytisch+Hydrolytisch
Min. Nischenmaße für Installation (H x B x T): 585-595 x 560-568 x550 mm
Abmessungen des Gerätes: ………………………. 595 x 594 x 548 mm
Abmessungen des verpackten Gerätes: ………. 660 x 655 x 675 mm
Material der Blende: …………………………………………………Edelstahl
Material der Tür: …………………………………………………………….Glas
Nettogewicht: ………………………………………………………….. 36.8 kg
Nettovolumen – Backrohr 1: …………………………………………….. 71 l
Beheizungsarten: ………………………………………… Großflächengrill,
CircoTherm® sanft, Heißluft, Ober-/Unterhitze, Pizzastufe,Unterhitze, Umluftgrill
Backofenregelung: ……………………………………………… elektronisch
Anzahl eingebauter Leuchten: ………………………………………………1
Länge Anschlusskabel: ……………………………………………. 120.0 cm
EAN-Nummer: …………………………………………….. 4242004220473
Anzahl der Innenräume (2010/30/EC): …………………………………. 1
Energieeffizienzklasse: ………………………………………………………..A
Energieverbrauch pro Ober-/Unterhitze Zyklus (2010/30/EC):0.99 kWh/Zyklus
Energieverbrauch pro Heißluft-Zyklus (2010/30/EC): …………. 0.81kWh/Zyklus
Energieeffizienzindex (2010/30/EC): ……………………………. 95.3 %
Anschlusswert: ………………………………………………………… 3600 W
Absicherung: ……………………………………………………………….. 16 A
Spannung: …………………………………………………………… 220-240 V
Frequenz: ………………………………………………………………60; 50 Hz
Steckerart: ……………………………………….Schuko-/Gardy.m.Erdung
Integriertes Zubehör: …………………………………..1 x Kombirost, 1 x
Universalpfanne
Kochfeld T16SBN1L0
Grillfunktion: ……………………………………………………….. Kochstelle
Glaskeramik
Bauform: ………………………………………………………………….. Einbau
Beheizungsart: …………………………………………….. Elektro-Kochfeld
Anzahl der Kochzonen: ………………………………………………………. 4
Min. Nischenmaße für Installation (H x B x T): …….. 48 x 560-560 x
490-500 mm
Breite: …………………………………………………………………….583 mm
Abmessungen des Gerätes: ………………………… 48 x 583 x 513 mm
Abmessungen des verpackten Gerätes: ………. 100 x 750 x 590 mm
Nettogewicht: ……………………………………………………………. 8.2 kg
Bruttogewicht: …………………………………………………………… 8.5 kg
Restwärmeanzeige: ………………………………………………… Getrennt
Lage der Steuerung: ……………………………………………………. Vorne
Oberflächenmaterial: ………………………………………….. Glaskeramik
Oberflächenfarbe: ………………………………………Schwarz, Edelstahl
Rahmenfarbe: …………………………………………………………Edelstahl
EAN-Nummer: …………………………………………….. 4242004272816
Spannung: …………………………………………………………… 220-240 V
Frequenz: ………………………………………………………………50; 60 Hz





























Reviews
There are no reviews yet.